
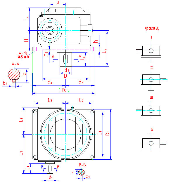
尺(chǐ)寸(cùn) 型號 | a | B1 | B2 | B3 | B4 | C1 | C2 | C3 | D | h | h1 | i ≤ 12.5 | ||||
d1 | l1 | b1 | t1 | L1 | ||||||||||||
CWS63 | 63 | 155 | 245 | 140 | 105 | 125 | 90 | 125 | 190 | 23 | 5 | 19js6 | 28 | 6 | 21.5 | 128 |
CWS80 | 80 | 180 | 270 | 160 | 110 | 150 | 95 | 145 | 210 | 23 | 5 | 24js6 | 36 | 8 | 27 | 151 |
CWS100 | 100 | 220 | 325 | 200 | 125 | 190 | 110 | 185 | 240 | 23 | 5 | 28js6 | 42 | 8 | 31 | 182 |
尺寸 型(xíng)號 | i ≥ 16 | d2 | l2 | b2 | t2 | L2 | L3 | L4 | H | d3 | 重量 (㎏) | ||||
d1 | l1 | b1 | t1 | L1 | |||||||||||
CWS63 | 19js6 | 28 | 6 | 21.5 | 128 | 32k6 | 58 | 10 | 35 | 135 | 97 | 70 | 75 | M12 | 19 |
CWS80 | 24js6 | 36 | 8 | 27 | 151 | 38k6 | 58 | 10 | 41 | 143 | 110 | 81 | 80 | M12 | 28 |
CWS100 | 24js6 | 36 | 8 | 31 | 176 | 42k6 | 82 | 12 | 45 | 182 | 130 | 95 | 95 | M12 | 42.5 |