F係列減速電機
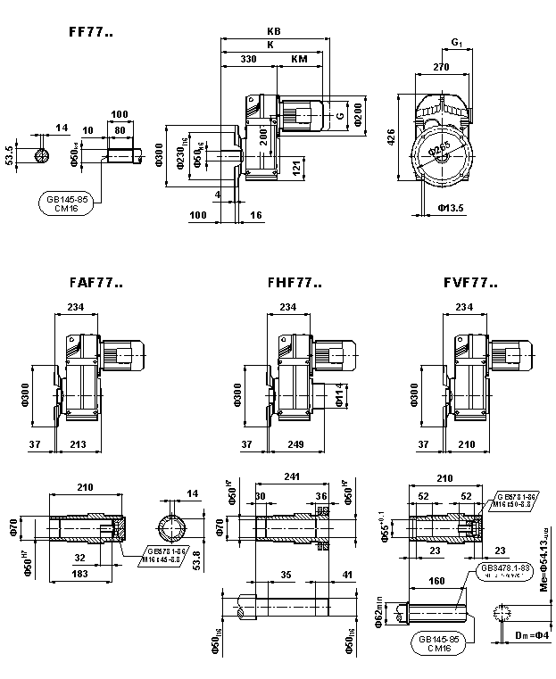
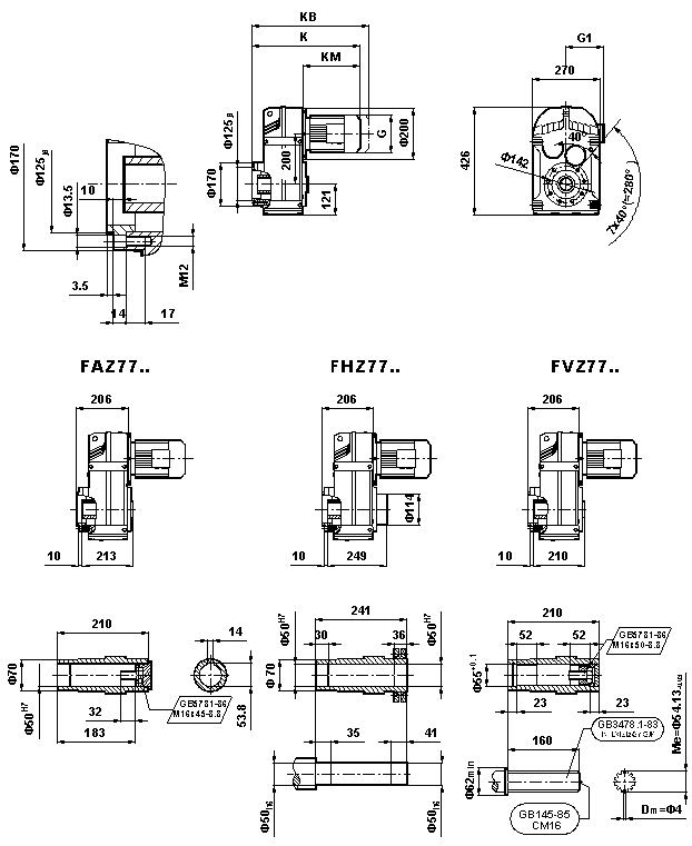
外形(xíng)安裝尺寸(cùn)(F77、FA77B、FH77B、FV77B、FF77、FAF77B、FHF77B、FVF77B、F..77/G、FA77、FH77、FV77、FAZ77、FHZ77、HVZ77)
|
|
Y263 |
Y271 |
Y280 |
Y290S |
Y290L |
Y2100L |
Y2112M |
Y2132S |
Y2132M |
Y2132L |
Y2160M |
|
|
|
G (AC) |
130 |
145 |
175 |
195 |
195 |
215 |
240 |
275 |
275 |
275 |
330 |
|
|
|
G1 (AD) |
70 |
80 |
145 |
155 |
155 |
180 |
190 |
210 |
210 |
210 |
255 |
|
|
|
K |
501 |
519 |
549 |
564 |
589 |
619 |
634 |
684 |
724 |
764 |
799 |
|
|
|
KB |
571 |
589 |
639 |
654 |
679 |
714 |
729 |
779 |
819 |
859 |
914 |
|
|
|
KM (LB) |
207 |
225 |
255 |
270 |
295 |
325 |
340 |
390 |
430 |
470 |
505 |
|
|
注:KB為帶製動器的長度
|
|
Y263 |
Y271 |
Y280 |
Y290S |
Y290L |
Y2100L |
Y2112M |
Y2132S |
Y2132M |
Y2132L |
Y2160M |
|
|
|
G (AC) |
130 |
145 |
175 |
195 |
195 |
215 |
240 |
275 |
275 |
275 |
330 |
|
|
|
G1 (AD) |
70 |
80 |
145 |
155 |
155 |
180 |
190 |
210 |
210 |
210 |
255 |
|
|
|
K |
537 |
555 |
585 |
600 |
625 |
655 |
670 |
720 |
760 |
800 |
835 |
|
|
|
KB |
607 |
625 |
675 |
690 |
715 |
750 |
765 |
815 |
855 |
895 |
950 |
|
|
|
KM (LB) |
207 |
225 |
255 |
270 |
295 |
325 |
340 |
390 |
430 |
470 |
505 |
|
|
注:KB為帶製動器的長度
|
|
Y263 |
Y271 |
Y280 |
Y290S |
Y290L |
Y2100L |
Y2100L2 |
Y2112M |
Y2132S |
Y2132M |
Y2132L |
Y2160M |
|
G (AC) |
130 |
145 |
175 |
195 |
195 |
215 |
215 |
240 |
275 |
275 |
275 |
330 |
|
G1 (AD) |
70 |
80 |
145 |
155 |
155 |
180 |
180 |
190 |
210 |
210 |
210 |
255 |
|
K |
400 |
418 |
448 |
463 |
488 |
518 |
518 |
533 |
583 |
623 |
663 |
698 |
|
KB |
470 |
488 |
538 |
553 |
578 |
613 |
613 |
628 |
678 |
718 |
758 |
813 |
|
KM (LB) |
207 |
225 |
255 |
270 |
295 |
325 |
325 |
340 |
390 |
430 |
470 |
505 |
注:KB為帶(dài)製動器的長度(dù)
|
|
Y263 |
Y271 |
Y280 |
Y290S |
Y290L |
Y2100L |
Y2112M |
Y2132S |
Y2132M |
Y2132L |
Y2160M |
|
|
G (AC) |
130 |
145 |
175 |
195 |
195 |
215 |
240 |
275 |
275 |
275 |
330 |
|
|
G1 (AD) |
70 |
80 |
145 |
155 |
155 |
180 |
190 |
210 |
210 |
210 |
255 |
|
|
K |
413 |
431 |
461 |
476 |
501 |
531 |
546 |
596 |
636 |
676 |
711 |
|
|
KB |
483 |
501 |
551 |
566 |
591 |
626 |
641 |
691 |
731 |
771 |
826 |
|
|
KM (LB) |
207 |
225 |
255 |
270 |
295 |
325 |
340 |
390 |
430 |
470 |
505 |
|
注:KB為帶製動器的長度